Custom Products for the Analog & Digital Radio Amateur Enthusiast
  Print this Page

FMDM-150M Deviation Meter
Product Support Documentation

Digital Meter Display (DMD)
For Analog & Digital Two-Way Radio Applications



Top side of FMDM-150M Digital Meter Display (DMD) circuit board - shown slightly enlarged.
(Click photo to show a larger image)

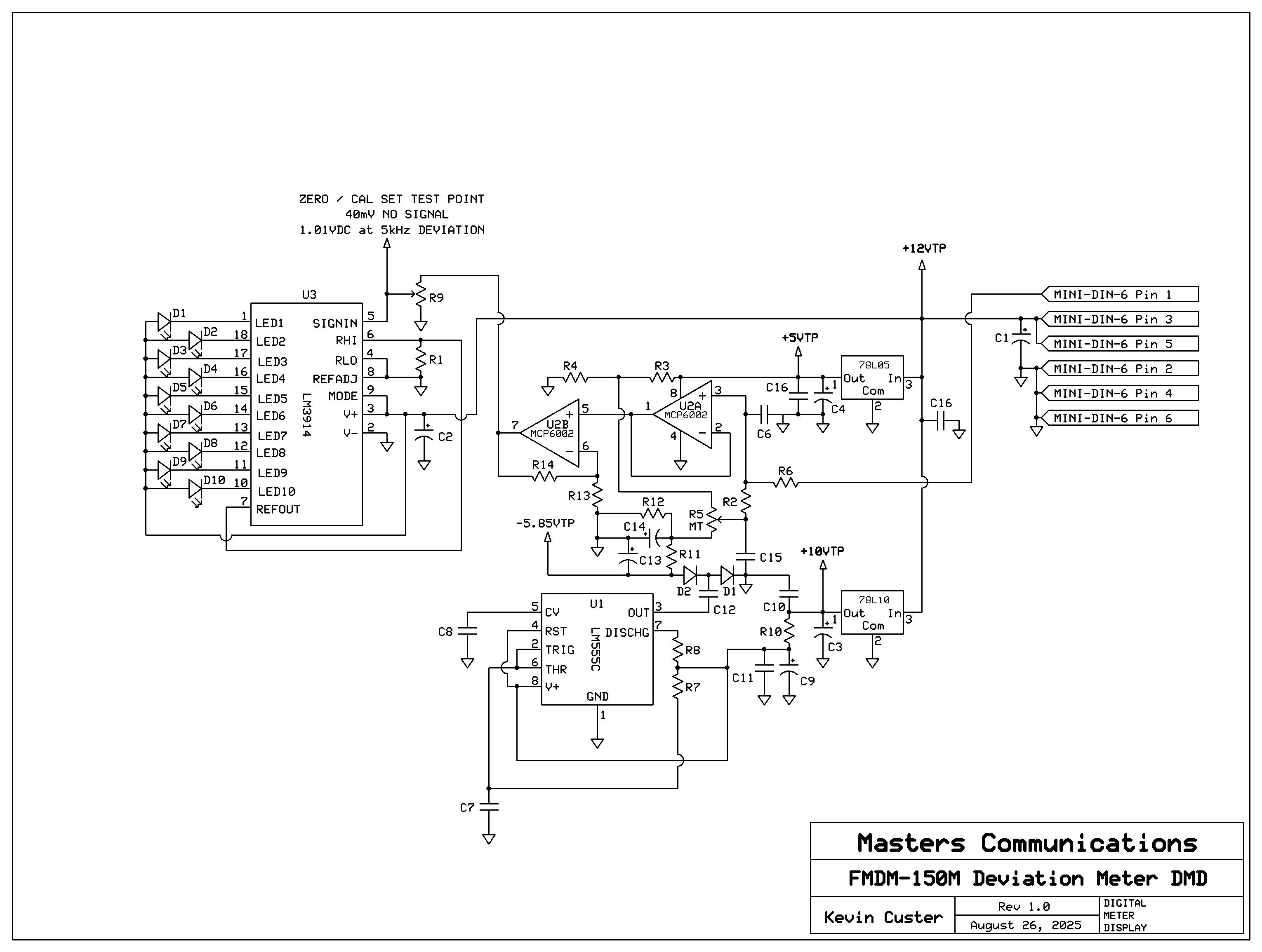
Schematic Image - Click to download a high quality PDF.


Overview of FMDM-150M Digital Meter Display (DMD)

The DMD's operation is pretty simple:
The meter displays FM deviation directly by the number of illuminated LEDs on the front panel.

Parts List:
If you purchased our kit, refer to the parts list and make sure you have all of the components you need to build it.
Click here for Parts List.

Construction/Assembly:
Click here for assembly instructions and construction notes - with large photo.

Installation:
This device is intended to be installed beside the AMU and connected with a short male to male Mini-DIN-6 cable (supplied).

Calibration:
A complete calibration procedure is available from the Calibration Article.

Secure PayPal ordering is available on the FMDM-150M main page.

Email Kevin Custer for support, ordering information, order by check, or support of this exciting product.
 
 

Product of Masters Communications, all rights reserved.
Specifications may change without notice.
Images property of Kevin Custer - W3KKC
Board layout by Kevin Custer - W3KKC.
HTML December 7, 2025, W3KKC All Rights Reserved!